131Ш-8101010

Напряжение, В 12 с конденсатором
Марка а/м ЗиЛ
Модель а/м 131Н
Цена c НДС
19 142 ₽
Рекомендованная розничная цена
Описание продукции
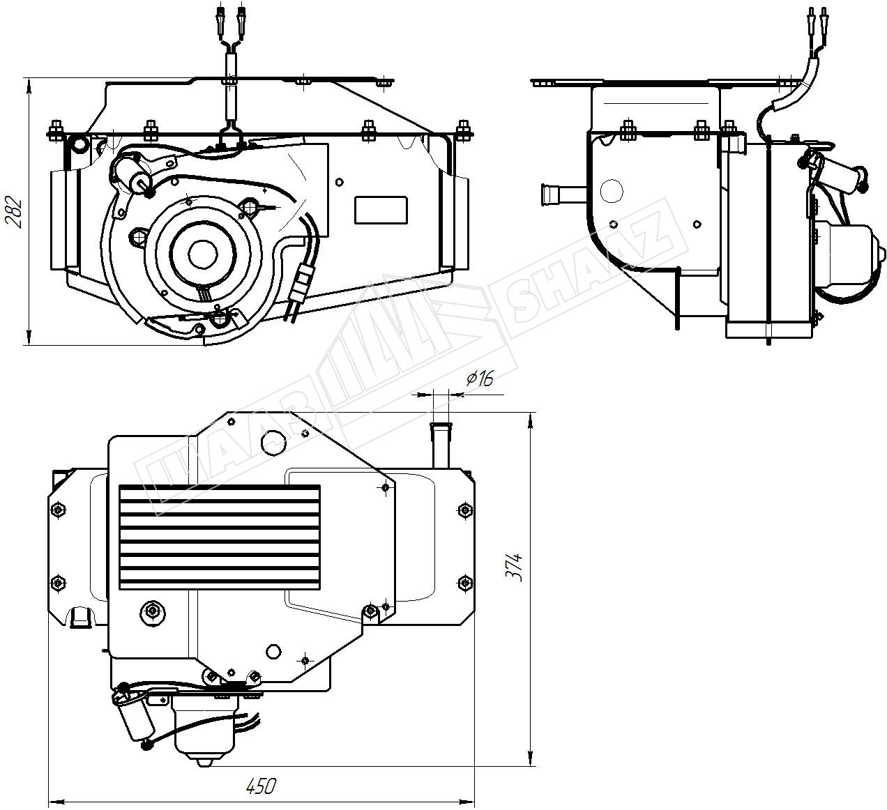
Отопитель радиаторного типа состоит из:


корпуса отопителя, воздушных заслонок, радиатора отопителя, электродвигателя с крыльчаткой и электрической части, включающей в себя жгут проводов, сопротивление, электрическую колодку с клеммами.
Все характеристики
Исполнение радиатора медно-латунное
Напряжение, В 12 с конденсатором
Габариты д*ш*в, мм 450х374х282
Масса, кг 8,45